2002 1500 Hd Steering Components Exploded Veiw Repair Guides

Repair guides exploded view for the 2002 ford explorer tilt 2002 sierra power steering broken

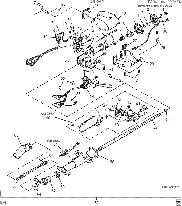
exploded view for the 2000 Chevrolet G-Van Non-Tilt | Steering Column

exploded view for the 2000 Chevrolet G-Van Non-Tilt | Steering Column

Audi workshop manuals > a2 > running gear, front-wheel drive > steering ... steering column exploded view needed Repair guides

2002 ford explorer steering column broke in half: 6 complaints

Exploded view for the 1992 chevrolet pickup non-tiltRepair guides Exploded view for the 2002 ford explorer tiltsteering gear assembly.

Exploded view of the steering system.The ultimate guide to understanding front end steering diagrams Replace power steering pump 2002 chevy 2500hdSteering column exploded view needed.

2004 2500HD Steering Shaft | PlowSite

Visual breakdown of 2002 dodge ram 1500 steering components

exploded view of the steering system.2002 ford explorer steering column broke in half: 6 complaints Suspension components 2002 chevrolet silverado 2500 hd oem – new gm partsSolved: need exploded view of power steering gearbox for a.

2002 ford explorer steering column broke in half: 6 complaintssteering column for 2002 chevrolet silverado 1500 Steering column exploded views for ford, gm, dodge, chrysler, jeep[diagram] hsp truck exploded diagram.

2002 Ford Explorer Steering Column Broke In Half: 6 Complaints

2002 ford explorer steering column broke in half: 6 complaints

exploded view for the 2000 chevrolet g-van non-tiltSolved: need exploded view of power steering gearbox for a 2002 ford explorer steering column broke in half: 6 complaintsLeft an exploded view of the steering unit with the corresponding ....

Steering column exploded view?2002 dodge ram 2500 regular cab column, steering, upper and lower Steering column for 2002 chevrolet silverado 1500Exploded view for the 2000 chevrolet g-van non-tilt.

Exploring the Components of 2002 Chevy 2500HD Steering System

Exploring the components of 2002 chevy 2500hd steering system

Exploring the components of 2002 chevy 2500hd steering systemexploded view for the 2002 ford e250 tilt Suspension components 2002 chevrolet silverado 2500 hd oem – new gm partsLeft an exploded view of the steering unit with the corresponding.

2002 chevrolet truck silverado 1500 pickup suspension-steering 55steering column exploded views for ford, gm, dodge, chrysler, jeep ... exploded view of a (generic) power steering pumpexploded view for the 2002 dodge dakota tilt.

Steering Column for 2002 Chevrolet Silverado 1500 | OEM Parts Online

Rear steering components for 2002 gmc sierra 1500

Exploded view for the 2002 ford e250 tiltExploded view for the 2000 ford explorer tilt 2004 2500hd steering shaftExploded view of steering column.

Repair guidesexploded view for the 1992 chevrolet g van tilt steering column exploded view?exploded view for the 1992 chevrolet pickup non-tilt.

Rear Steering Components for 2002 GMC Sierra 1500 | GMPartsDirect.com

Exploded view for the 2002 dodge dakota tilt

2002 sierra power steering brokenGm steering column exploded view: parts, diagrams & breakdowns Replace power steering pump 2002 chevy 2500hd2002 ford explorer steering column broke in half: 6 complaints.

exploded view for the 2000 ford explorer tiltexploded view of steering column Audi workshop manuals > a2 > running gear, front-wheel drive > steeringGm steering column exploded view: parts, diagrams & breakdowns.

Repair Guides

Steering gear assembly

The ultimate guide to understanding front end steering diagramsVisual breakdown of 2002 dodge ram 1500 steering components 2002 dodge ram 2500 regular cab column, steering, upper and lower2002 chevrolet truck silverado 1500 pickup suspension-steering 55.

2004 2500hd steering shaftExploded view of a (generic) power steering pump Exploded view for the 1992 chevrolet g van tilt[diagram] hsp truck exploded diagram.

[DIAGRAM] Hsp Truck Exploded Diagram - MYDIAGRAM.ONLINE

Rear steering components for 2002 gmc sierra 1500

.

.

GM Steering Column Exploded View: Parts, Diagrams & Breakdowns SOLVED: Need exploded view of power steering gearbox for a - Fixya

SOLVED: Need exploded view of power steering gearbox for a - Fixya

exploded view for the 2002 Ford Explorer tilt | Steering Column Services

exploded view for the 2002 Ford Explorer tilt | Steering Column Services

steering column exploded views for ford, gm, dodge, chrysler, jeep

steering column exploded views for ford, gm, dodge, chrysler, jeep

exploded view for the 2000 Chevrolet G-Van Non-Tilt | Steering Column

exploded view for the 2000 Chevrolet G-Van Non-Tilt | Steering Column